|
|
|

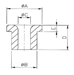
アイレットガイド EG 1
|
 |
素材 : アルミナセラミックス (Al²O³)
92%,99% , ジルコニアセラミックス (ZrO²) |
|
| ジルコニアセラミックス
( ZrO²) |
UNIT : mm |
|
Model No.
|
A
|
B
|
C
|
D
|
E
|
|
K221127Z
|
2.7
|
2.25
|
1.15
|
2.7
|
0.9
|
|
K362342Z
|
5.6
|
3.6
|
2.3
|
4.2
|
1.4
|
|
K462945Z
|
6.8
|
4.6
|
2.9
|
4.5
|
1.4
|
|
K502752Z
|
7
|
5
|
2.7
|
5.2
|
1.8
|
|
K543354Z
|
6.8
|
5.4
|
3.3
|
9.2
|
1.8
|
|
K552867Z
|
7.5
|
5.5
|
2.8
|
6.7
|
1.8
|
|
K623173Z
|
8.8
|
6.2
|
3.1
|
7.3
|
1.8
|
|
K623872Z
|
9.1
|
6.2
|
3.8
|
7.2
|
1.8
|
|
K644445Z
|
8.7
|
6.4
|
4.4
|
4.5
|
1.8
|
|
K734450Z
|
9.6
|
7.3
|
4.4
|
5
|
1.8
|
|
K734467Z
|
9.6
|
7.3
|
4.4
|
6.7
|
2
|
|
K895894Z
|
12.1
|
8.9
|
5.8
|
9.4
|
2.8
|
|
K956210Z
|
12.8
|
9.5
|
6.2
|
10
|
3
|
|
T117612Z
|
14.2
|
11.2
|
7.6
|
12.6
|
2.8
|
|
T171213Z
|
22.5
|
17.6
|
12.6
|
13.5
|
4.5
|
|
| アルミナセラミックス
(Al²O³) |
UNIT : mm
|
|
Model No.
|
A
|
B
|
C
|
D
|
E
|
|
K241230
|
2.94
|
2.4
|
1.2
|
3
|
1
|
|
K271133
|
4
|
2.7
|
1.1
|
3.3
|
1.3
|
|
K352535
|
4.5
|
3.5
|
2.5
|
3.5
|
1
|
|
K361835
|
6.1
|
3.6
|
1.8
|
3.5
|
1
|
|
K382130
|
5.3
|
3.8
|
2.1
|
3
|
1
|
|
K392545
|
6
|
3.9
|
2.5
|
4.5
|
1.5
|
|
K400545
|
6
|
4
|
0.5
|
4.5
|
1.5
|
|
K400745
|
6
|
4
|
0.7
|
4.5
|
1.5
|
|
K401145
|
6
|
4
|
1.1
|
4.5
|
1.5
|
|
K402232
|
6
|
4
|
2.2
|
3.2
|
1
|
|
K402530
|
6
|
4
|
2.5
|
3
|
1
|
|
K473040
|
6.6
|
4.7
|
3
|
4
|
1
|
|
K483025
|
6.5
|
4.8
|
3
|
2.5
|
1
|
|
K483147
|
7.8
|
4.8
|
3.1
|
4.7
|
1
|
|
K483630
|
6.6
|
4.8
|
3.6
|
3
|
1.5
|
|
K503147
|
7.2
|
5
|
3.1
|
4.7
|
1.5
|
|
K523350
|
7.7
|
5.2
|
3.3
|
5
|
1.6
|
|
K542955
|
7.5
|
5.4
|
2.9
|
5.5
|
1.9
|
|
K553044
|
8.5
|
5.5
|
3
|
4.4
|
1.5
|
|
K553836
|
7.5
|
5.5
|
3.8
|
3.6
|
1
|
|
K563479
|
8
|
5.6
|
3.4
|
7.9
|
1.4
|
|
K573597
|
7.2
|
5.7
|
3.5
|
9.7
|
1.9
|
|
K583060
|
8
|
5.8
|
3
|
6
|
2
|
|
K593456
|
8.5
|
5.9
|
3.4
|
5.6
|
1.8
|
|
K603070
|
8
|
6
|
3
|
7
|
2
|
|
K613316
|
8
|
6.1
|
3.3
|
16.6
|
1.5
|
|
K633273
|
8.5
|
6.3
|
3.2
|
7.3
|
2
|
|
K633910
|
8
|
6.3
|
3.9
|
10
|
2
|
|
|
Model No.
|
A
|
B
|
C
|
D
|
E
|
|
K663377
|
9.3
|
6.6
|
3.3
|
7.7
|
1.9
|
|
K674077
|
9.6
|
6.7
|
4
|
7.7
|
2
|
|
K674647
|
9.2
|
6.7
|
4.6
|
4.7
|
1.9
|
|
K703778
|
12
|
7
|
3.7
|
7.8
|
2.5
|
|
K714280
|
10
|
7.1
|
4.2
|
8
|
2
|
|
K714378
|
10.2
|
7.1
|
4.3
|
7.8
|
2.1
|
|
K723580
|
10
|
7.2
|
3.5
|
8
|
2
|
|
K744754
|
9
|
7.4
|
4.7
|
5.4
|
1.2
|
|
K745050
|
10
|
7.4
|
5
|
5
|
2
|
|
K774653
|
10.2
|
7.7
|
4.6
|
5.3
|
1.9
|
|
K774670
|
10.2
|
7.7
|
4.6
|
7
|
2.2
|
|
K794774
|
10
|
7.9
|
4.7
|
7.4
|
2
|
|
K804080
|
9.5
|
8
|
4
|
8
|
2
|
|
K845055
|
11
|
8.4
|
5
|
5.5
|
2
|
|
K845073
|
11
|
8.4
|
5
|
7.3
|
2.3
|
|
K936570
|
11.3
|
9.3
|
6.5
|
7
|
2
|
|
K956210
|
12.8
|
9.5
|
6.2
|
10
|
3
|
|
K975498
|
11.3
|
9.7
|
5.4
|
9.8
|
3
|
|
K995589
|
14
|
9.9
|
5.5
|
8.9
|
3
|
|
T106510
|
13.5
|
10
|
6.5
|
10.1
|
3
|
|
T127510
|
15
|
12
|
7.5
|
10
|
2.5
|
|
T128012
|
15
|
12
|
8
|
12
|
3
|
|
T128614
|
16.2
|
12.8
|
9.6
|
13.8
|
3.1
|
|
T138590
|
20
|
13
|
8.5
|
9
|
3
|
|
T181314
|
24
|
18.7
|
13.4
|
14.5
|
4.8
|
|
T191515
|
25
|
19.5
|
15
|
15
|
5
|
|
T221513
|
25
|
22.5
|
15
|
13
|
3
|
|
-
|
-
|
-
|
-
|
-
|
-
|
|
|
|